您好, 欢迎来到百铸网! 热线电话:400-8088-177  企业邮箱:[email protected] 注册|登录

< >
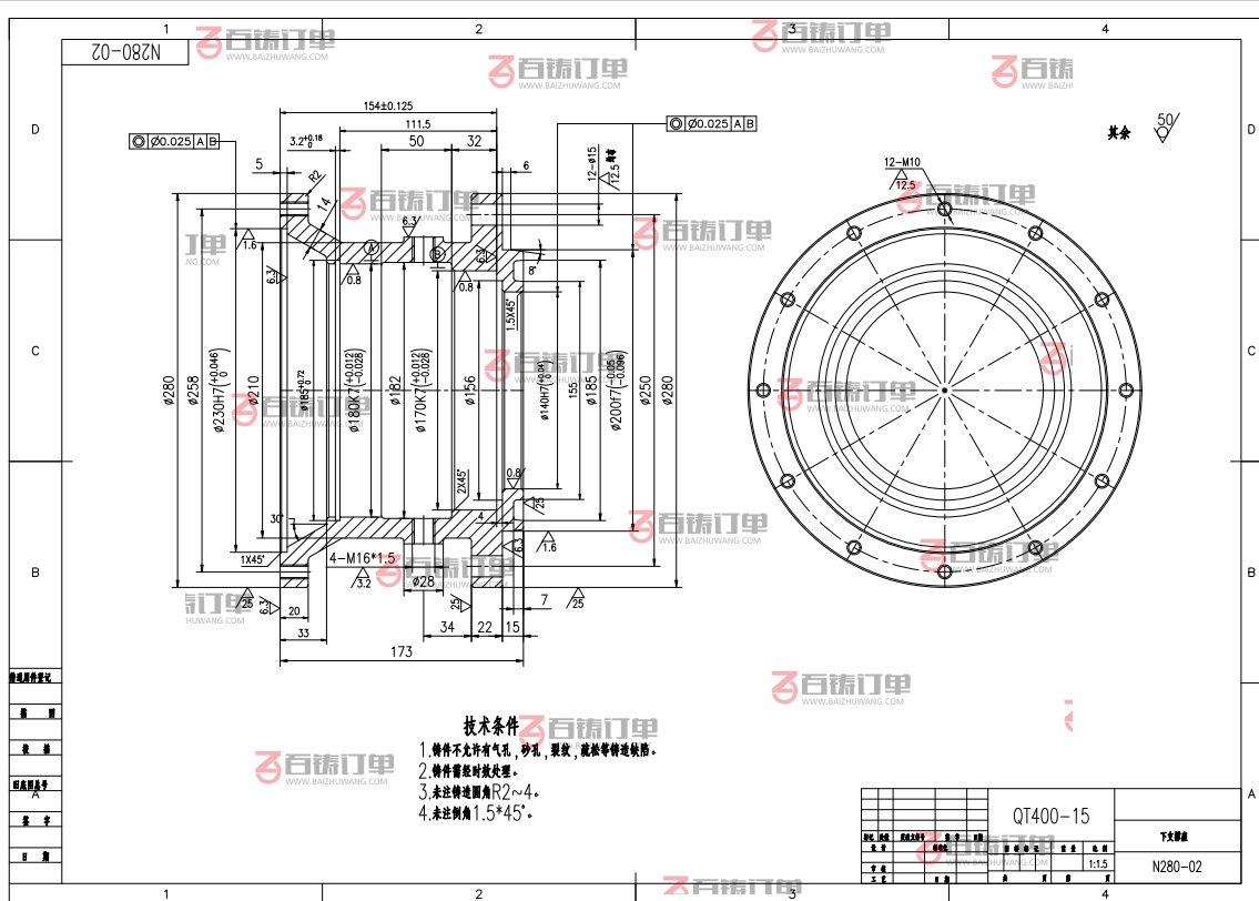
66638 采购QT400-15材质减速机铸件
  • 朝阳**公司 26.03.09 报价成功
  • 河**公司 26.03.09 报价成功
2

该订单已报价
-

该订单要求报价
订单报价倒计时
-
报价
咨询
欢迎使用 百铸比价 采购原材料
订单详情

产品名称:减速机配件

材质要求:球墨铸铁 QT400-15

工艺要求:消失模铸造

单件重量:厂家根据图纸核算

年采购量:常年采购

采购阶段:采购中

验收条件:详谈

报价要求:含税含运费

厂家区域:-

应用领域:通用机械

规格要求:详见图纸

模具要求:生产厂家开模

加工方式:毛坯

采购数量:根据订单量采购

所在区域:湖北 武汉市

采购类型:长期采购

厂家要求:质量要有保证,不能有铸件缺陷

温馨提示:本页展现的订单信息均由采购企业自行提供,其真实性、准确性及合法性由采购企业负责。百铸网仅为用户提供一个铸件信息的第三方平台,不介入采购企业和供应企业的交易过程。在接单过程中,请双方签订具有法律效益合同以保护自身利益,双方交易出现纠纷,可通过司法途径解决问题。

同类订单推荐
采购QT450-10材质金属手柄
铸造材质: 球墨铸铁
单件重量: 191g
铸造工艺: 粘土砂铸造,覆膜砂铸造,水平造型线,垂直造型线
产品数量: 常年采购
采购区域: -
所在区域: 上海市
采购QT500-7材质机床铸件
铸造材质: 球墨铸铁
单件重量: 1.132T
铸造工艺: 树脂砂铸造
产品数量: 3000件/年
采购区域: -
所在区域: 山东省
采购QT450-10材质减速机壳体铸件
铸造材质: 球墨铸铁
单件重量: 几百公斤-1吨
铸造工艺: 树脂砂铸造
产品数量: -
采购区域: -
所在区域: -
采购QT400材质铸件
铸造材质: 球墨铸铁
单件重量: 200g
铸造工艺: 水玻璃精密铸造
产品数量: 10万件
采购区域: -
所在区域: -
推荐企业
沈阳市三盛鑫机械加工厂
主营产品:有色金属、黑色金属铸造
地区:辽宁 沈阳市
常州市振胜汽车零部件有限公司
主营产品:汽车、电动工具、高铁
地区:江苏 常州市
泰州市立峰机械配件厂
主营产品:铸铁 船用 制冷设备配件
地区:江苏 泰州市
荥阳市伟创铸业有限公司
主营产品:铸件生产、加工、销售。
地区:河南 郑州市

友情链接 友链交换添加QQ:2694467624 其他问题请咨询网站客服

  • 中国铸造协会
  • 山东省铸造协会
  • 中国机械工程学会铸造分会
  • 中铸协精密铸造分会
  • 重庆铸造协会
  • 消失模V法实型铸造分会
  • 北京铸锻协会
  • 河南省铸锻工业协会
  • 浙江铸造协会
  • 江苏铸造协会
免责声明:以上所展示的信息由企业自行提供,内容的真实性、准确性和合法性由发布企业负责。百铸网对此不承担任何保证责任。Copyright 2019 - 2022 baizhuwang.com 百铸网 版权所有
中华人民共和国增值电信业务经营许可证:豫B2-20130040-1 豫公网备案41090202000005号 营业执照