
您好, 欢迎来到百铸网! 热线电话:400-8088-177 企业邮箱:[email protected] 注册|登录
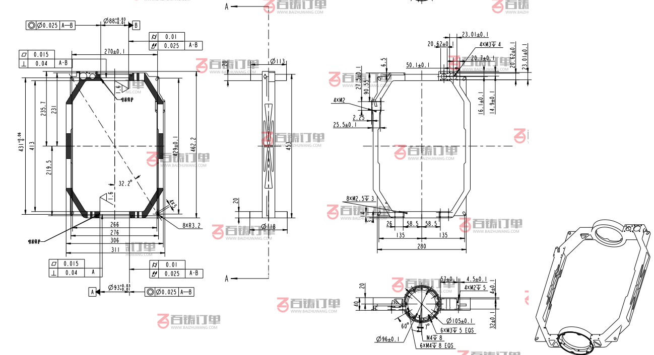
产品名称:医疗检测设备铸件
材质要求:铝合金 A356+T51
工艺要求:V法铸造
单件重量:17kg
年采购量:常年采购
采购阶段:采购中
验收条件:详谈
报价要求:含税含运费
厂家区域:广东
应用领域:医疗器械
规格要求:-
模具要求:生产厂家开模
加工方式:毛坯
采购数量:500套
所在区域:广东 东莞市
采购类型:长期采购
厂家要求:质量要有保证,不能有铸件缺陷
温馨提示:本页展现的订单信息均由采购企业自行提供,其真实性、准确性及合法性由采购企业负责。百铸网仅为用户提供一个铸件信息的第三方平台,不介入采购企业和供应企业的交易过程。在接单过程中,请双方签订具有法律效益合同以保护自身利益,双方交易出现纠纷,可通过司法途径解决问题。
友情链接 友链交换添加QQ:2694467624 其他问题请咨询网站客服